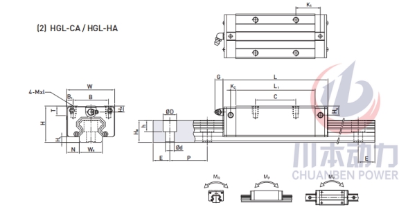
HGL25HA 臺灣HIWIN滑塊 HIWIN導軌 臺灣上銀滑塊導軌
組件尺寸 | H | 36 | mm |
H1 | 5.5 | mm | |
N | 12.5 | mm | |
滑塊尺寸 | W | 48 | mm |
B | 35 | mm | |
B1 | 6.5 | mm | |
C | 50 | mm | |
L1 | 78.6 | mm | |
L | 104.6 | mm | |
K1 | 19.6 | mm | |
K2 | 6 | mm | |
G | 12 | mm | |
MxL | M6*6 | mm | |
T | 8 | mm | |
H2 | 6 | mm | |
H3 | 9 | mm | |
導軌尺寸 | WR | 23 | mm |
HR | 22 | mm | |
D | 11 | mm | |
h | 9 | mm | |
d | 7 | mm | |
P | 60 | mm | |
E | 20 | mm | |
導軌的固定螺栓尺寸 | 導軌的固定螺栓尺寸 | M6*20 | mm |
基本動額定載荷 | C | 32.75 | kN |
基本靜額定載荷 | C0 | 49.44 | kN |
容許靜力矩 | MR | 0.56 | kN-m |
MP | 0.57 | kN-m | |
MY | 0.57 | kN-m | |
重量 | 滑塊 | 0.57 | kg |
導軌 | 3.21 | kg/m |
TAG:list


